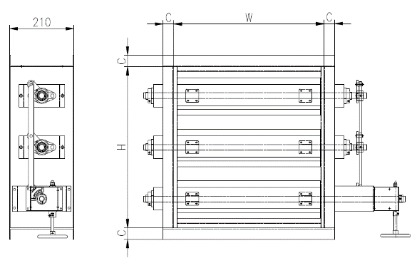
阀体采用新型蜗轮蜗杆机构(机构改为手柄式型号为T308-2-GB) ,阀叶采用百叶多轴体结构,流体均匀,阀叶特殊设计,具有阻力小,强度高等特点,轴与轴用连杆传动,安全可靠,适用于工业涂装、喷漆车间管道系统中调节气流使用!

产品描述
●手动阀外框和叶片采用2~6mm碳钢或不锈钢。
●手动阀轴承采用含油铜套或轴承或,轴为Φ15~Φ30镀锌圆钢或不锈钢圆钢。
●执行机构与阀体之间有隔温措施,阀体每个穿出轴都有密封圈,防止气体对外泄漏。
●安装在有通风要求的通风系统的风管上作风量调节、控制风速之用。
●执行机构选用蜗轮蜗杆型,叶片顺时针为关闭。