13817937745
QD–V气动普通耐高温方形蝶阀
QD–V气动普通耐高温方形蝶阀

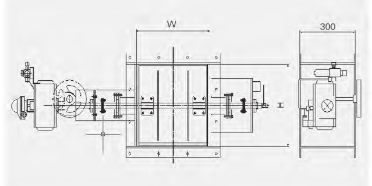
方蝶阀采用新型系列DR型气动执行器,齿轮传动,安全可靠。阀叶采用单叶片结构,泄漏率更低。适用于工业涂装、废气处理等环保行业的风量调节和环境保护等管道系统中作调节气体流量使用。

1.png

产品描述

●方形单叶蝶阀外框和叶片采用4 ~8mm碳钢或不锈钢

●轴承采用耐高温菱形或方形轴承座,轴为Φ20~Φ50镀锌圆钢或不锈钢圆钢。

●执行机构与阀体之间有隔温措施,阀体每个穿出轴都有密封圈,防止气体对外泄漏。