13817937745
PYF SDc-YK-F排烟阀
PYF SDc-YK-F排烟阀

 

性能:

1、 平时呈常闭状态,火灾时烟感器通过控制中心发来电气信号(DC24V),执行机构内的电磁铁通电动作,阀门自动开启,并输出开启电信号。

2、 阀门可手动开启。

3、阀门动作后可通过钢丝绳远距离复位。

 

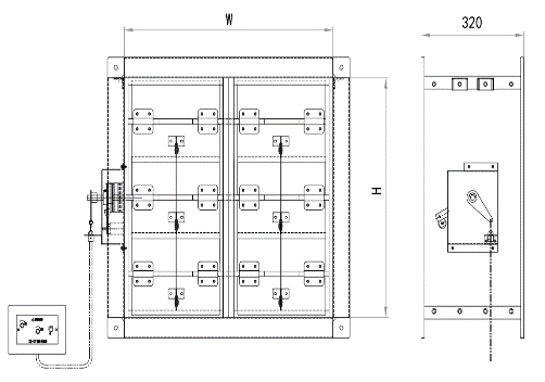
结构:

主要部件:阀体、叶片、轴、轴衬、执行机构、不锈钢弹板等。

配套执行机构型号:KPY SDc-YK

阀门最大制作尺寸:(1250+250)*800

W×H配合风管尺寸

 

使用条件:

静     压:1500Pa以下

最大通过风速:15m/s

使用环境温度:-10℃~50℃

使用环境湿度:相对湿度85%以下

 

主要技术参数:

漏风量(压差1000Pa) ≤700m3/m2.h

控制电压:DC24V

动作电流:≤0.7A

微动开关接点容量:AC220V  3A

旋转方向:动作时逆时针开启

动作时间:瞬间

 

电路原理图:

 

 

注意事项

 1、用户使用时请勿在执行机构外面涂装,请勿向电器件注油,会引起故障。

 2、防火阀设备关系生命之安危,必须有专业人员进行安装、调试。正常使用每六个月对开启、关闭、电信号动作及温感器作常规检查。